机械制造课程设计:拨叉
设计任务概述
本次课程设计的主要任务是:选择一个典型的机械零件(以“拨叉”为例),对其进行全面的工艺分析,制定出合理的机械加工工艺规程,并设计其中一道关键工序的专用夹具。
核心目标:

- 掌握机械制造工艺规程制定的方法和步骤。
- 培养分析和解决实际工程问题的能力。
- 熟悉夹具设计的基本原理和流程。
- 学会查阅和使用相关的技术手册和标准。
设计流程与步骤
一个完整的课程设计通常遵循以下流程:
- 零件分析: 分析零件的作用、结构特点、技术要求。
- 工艺规程设计:
- 确定生产类型。
- 选择毛坯。
- 制定工艺路线(选择定位基准、确定加工方法、安排加工顺序)。
- 选择加工设备、刀具、量具。
- 确定各工序的加工余量、切削用量和工时定额。
- 工序卡片的填写: 将工艺规程以卡片的形式标准化。
- 专用夹具设计: 选择一个关键工序,设计其专用夹具。
- 编写设计说明书: 整理所有设计内容,形成一份完整的报告。
详细设计过程(以CA6140车床拨叉为例)
第一部分:零件分析
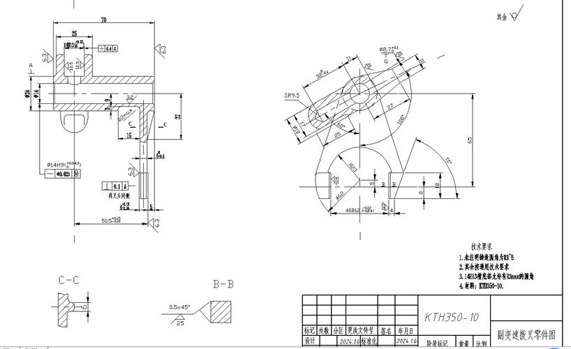
零件的作用 拨叉是机械变速箱中常见的操纵零件,主要用于在滑动齿轮与轴之间传递扭矩和改变齿轮位置,它通过拨动齿轮,实现不同速度档位的切换,它需要具备足够的强度和耐磨性。
零件的结构特点 以典型的CA6140车床拨叉(如零件图所示)为例,其结构通常包括:
- 拨叉脚: 用于嵌入齿轮的拨槽,通常为叉形结构,是工作表面。
- 圆孔: 用于套在轴上,是主要的安装和定位基准。
- 叉口端面: 与齿轮端面接触,起轴向定位作用。
- 连接部分: 连接拨叉脚和圆杆的肋板结构。
零件的技术要求分析 从零件图上提取关键的技术要求,这是制定工艺的依据。

- 尺寸精度:
- 孔(如Φ25mm):通常为IT7级精度,表面粗糙度Ra1.6μm。
- 拨叉脚宽度(如12mm):通常为IT9级精度,表面粗糙度Ra3.2μm。
- 叉口间距(如80mm):通常为IT12级精度。
- 形位公差:
- 孔的圆度、圆柱度。
- 拨叉脚两端面的平行度。
- 拨叉脚对称面对孔轴线的对称度。
- 孔轴线与拨叉脚端面的垂直度。
- 表面粗糙度:
- 内孔表面:Ra1.6μm。
- 拨叉脚两端面:Ra3.2μm。
- 其他加工表面:Ra6.3μm或更低。
- 热处理要求:
拨叉脚和工作表面通常要求进行局部淬火,硬度达到HRC40-48,以提高耐磨性。
零件的工艺性分析
- 优点: 结构相对简单,加工面不多。
- 难点:
- 刚性差: 肋板结构薄,加工中易变形,需要合理安排工序和装夹方式。
- 位置精度要求高: 孔、端面、叉口之间的位置关系要求严格,需要合理的基准选择和工艺保证。
- 热处理后的变形: 淬火后会产生变形,需要安排精加工工序来修正。
第二部分:机械加工工艺规程设计
确定生产类型 课程设计通常按中批量生产类型进行考虑,这决定了我们应采用通用机床加专用夹具,或部分采用高效机床的组合。
选择毛坯

- 材料: 通常为45钢或40Cr钢,综合考虑了强度和热处理性能。
- 毛坯类型:
- 方案一(铸件): 适用于大批量生产,形状复杂,但成本高,精度低。
- 方案二(模锻件): 适用于中批量以上生产,力学性能好,余量小,精度较高。
- 方案三(自由锻件+焊接): 适用于单件小批量,但加工余量大,精度低。
- 选择: 对于中批量生产的课程设计,选择模锻件最为合适,既能保证质量,又符合经济性。
制定工艺路线
这是设计的核心,遵循“先粗后精、先主后次、先面后孔、基准先行”的原则。
A. 选择定位基准
- 粗基准: 选择拨叉脚的不加工外轮廓或一个未加工的端面作为粗基准,目的是保证加工余量均匀,并为后续工序提供精基准。
- 精基准: 选择已加工好的Φ25mm内孔作为主要精基准(一面两销定位),因为孔的精度高,尺寸稳定,作为基准能很好地保证其他表面相对于孔的位置精度。
B. 工艺路线方案(示例)
| 工序号 | 设备 | 刀具/量具 | |
|---|---|---|---|
| 10 | 毛坯检验 | - | 卡尺 |
| 20 | 热处理: 正火 | 正火炉 | - |
| 30 | 粗铣 两拨叉脚端面 | 立式铣床 | 面铣刀、卡尺 |
| 40 | 钻、扩、粗铰 Φ25mm孔 | 摇臂钻床 | 麻花钻、扩孔钻、铰刀、卡尺 |
| 50 | 精铣 两拨叉脚端面,保证尺寸 | 立式铣床 | 面铣刀、千分尺 |
| 60 | 精铰 Φ25mm孔,保证Ra1.6 | 摇臂钻床 | 精铰刀、内径千分尺 |
| 70 | 粗铣 拨叉脚两侧面及R槽 | 立式铣床 | 键槽铣刀、卡尺 |
| 80 | 精铣 拨叉脚两侧面,保证宽度12±0.1 | 立式铣床 | 三面刃铣刀、卡尺 |
| 90 | 钻、攻 M8螺纹孔 | 台式钻床 | 麻花钻、丝锥 |
| 100 | 去毛刺、清洗 | - | - |
| 110 | 热处理: 拨叉脚局部淬火HRC40-48 | 高频淬火设备 | - |
| 120 | 钳工修整 | - | - |
| 130 | 终检 | - | 百分表、塞规、高度尺 |
选择设备及刀具、量具
- 设备选择: 根据工序特点选择,如钻孔用钻床,铣平面用铣床,孔精加工用镗床或精铰。
- 刀具选择: 根据加工方法选择,如铣平面用面铣刀,加工键槽用键槽铣刀,钻孔用麻花钻。
- 量具选择: 根据精度要求选择,如测量IT7级孔用内径千分尺,测量IT9级尺寸用卡尺,测量形位公差用百分表和V型块。
确定加工余量、切削用量和工时定额 这部分需要查阅《机械加工工艺手册》等资料进行计算,这里仅以工序40为例进行简化说明。
- 工序40:钻、扩、粗铰Φ25mm孔
- 加工余量:
- 钻孔至Φ23mm (余量2mm)
- 扩孔至Φ24.7mm (余量0.85mm)
- 粗铰至Φ24.95mm (余量0.25mm)
- 切削用量(以钻孔为例):
- 背吃刀量 (ap): 23/2 = 11.5mm
- 进给量 (f): 查手册,取0.4 mm/r
- 切削速度 (v): 查手册,取25 m/min
- 主轴转速 (n): n = 1000v / (πD) ≈ 100025 / (3.1423) ≈ 346 r/min (按机床选取标准值,如350 r/min)
- 工时定额 (Tm):
- Tm = L / (f * n) (L为切削行程,包括切入切出长度)
- 假设L=80mm,则 Tm = 80 / (0.4 * 350) ≈ 0.57 min
- 加工余量:
第三部分:专用夹具设计(以工序60精铰Φ25mm孔为例)
问题的提出 工序60要求精铰Φ25mm孔,保证尺寸精度和表面粗糙度,为了提高生产效率,保证加工精度,需要设计一个专用夹具。
夹具设计步骤
A. 定位方案设计
- 分析定位基准: 根据工艺规程,本工序应以拨叉脚的两个端面为主要定位基准,限制3个自由度(绕X轴转动,沿Y、Z轴移动),还需要限制绕Y、Z轴的转动和沿X轴的移动。
- 选择定位元件:
- 主要定位: 采用两块支承板,与拨叉脚的两个端面接触,实现“一面”定位,限制3个自由度。
- 辅助定位: 在拨叉的圆杆部分设置一个V型块,限制2个自由度(绕Y、Z轴转动)。
- 防转: 在叉口处设置一个挡销,限制最后一个自由度(绕X轴转动)。
- 定位误差分析: 计算由于定位基准与工序基准不重合等原因产生的定位误差,确保其小于零件公差的1/3。
B. 夹紧方案设计
- 夹紧力作用点: 作用在拨叉的圆杆部分或刚性较好的连接肋上,避免夹紧力作用于薄壁的拨叉脚上,防止变形。
- 夹紧力方向: 应垂直于主要定位面,并指向定位元件。
- 夹紧机构: 采用螺旋夹紧机构(如带手柄的压紧螺钉),结构简单,夹紧可靠。
C. 夹具结构设计
- 夹具体: 设计一个铸铁或焊接的底座,用于安装所有定位、夹紧元件,并连接到机床工作台。
- 连接元件: 设计定位键,安装在夹具体底部的键槽中,与机床工作台的T型槽配合,确保夹具在机床上的正确位置。
- 导向元件: 由于是铰孔,为保证铰刀与孔的同轴度,需要设计快换钻套,钻套安装在钻模板上,引导铰刀。
D. 夹具总图绘制 使用CAD软件绘制夹具总图,标注所有零件的编号、外形尺寸、配合精度等技术要求。
E. 夹具零件图绘制 绘制夹具中非标准零件(如夹具体、V型块、压板等)的零件图。
第四部分:编写设计说明书
说明书是设计的最终成果,应图文并茂,条理清晰,内容包括:
- 封面、目录、摘要
- 零件的分析(作用、结构、技术要求、工艺性)
- 工艺规程设计(生产类型、毛坯选择、工艺路线、设备刀具选择、切削用量计算)
- 工序卡片(附在说明书后)
- 专用夹具设计(设计任务、定位方案、夹紧方案、结构设计、夹具总图)
- 设计总结与心得
- 参考文献
常见问题与注意事项
- 基准选择错误: 这是最常见的错误,一定要遵循“基准先行”和“基准统一”的原则,精基准的选择尤为重要。
- 工艺路线不合理: 先精加工孔再粗铣端面,导致孔的精度被破坏,工序顺序必须逻辑清晰。
- 忽视热处理变形: 淬火工序必须安排在半精加工之后,精加工之前。
- 夹具设计错误: 定位不稳定、夹紧力导致工件变形、夹具与机床干涉等问题需要仔细检查。
- 计算错误: 切削用量、工时定额的计算要准确,并注明数据来源。
通过以上步骤,你就可以系统地完成一份高质量的“拨叉”机械制造课程设计了,祝你设计顺利!