《电工识图自学通》是什么?
《电工识图自学通》是一本非常经典的电工入门和自学教材,尤其适合初学者,它的核心目标是帮助读者快速掌握看懂电气图纸的能力,这是电工、维修电工、自动化技术人员等岗位的核心技能。
这本书之所以受欢迎,主要是因为它:

- 通俗易懂:语言风格平实,避免了过多深奥的理论。
- 图文并茂:配有大量的实物图、符号图和接线图,直观易懂。
- 循序渐进:从最基础的电气符号讲起,逐步深入到复杂的控制电路、PLC等。
- 实用性强紧密结合实际工作,讲解的都是工厂、建筑中最常用的电路。
这本书的核心内容(学习路径)
如果您想自学这本书,可以按照以下章节顺序来学习,这样会更有条理。
第一阶段:基础知识入门
-
电工识图基本知识
- 学习目标:了解图纸的构成、格式、比例、尺寸标注等基本常识。
- 重点:知道一张完整的电气图纸包含哪些部分(如图纸目录、技术说明、图例、主图等)。
-
电气图形符号和文字符号
- 学习目标:这是识图的“字母表”,必须滚瓜烂熟。
- 重点:
- 图形符号:开关、继电器、接触器、电机、传感器、熔断器、按钮等的国标符号。
- 文字符号:KM代表接触器,KA代表继电器,FR代表热继电器,SB代表按钮等。
- 回路标号:理解AC/DC回路的编号规则,方便查找线路。
-
电气图的分类

- 学习目标:了解不同图纸的用途。
- 重点:
- 系统图/框图:表示整个系统的组成和关系。
- 电路图:核心!用符号详细表示元器件的连接关系和工作原理。
- 接线图/接线表:指导实际如何接线,非常实用。
- 位置图/布置图:元器件在控制柜或现场的安装位置。
第二阶段:核心电路识图
-
照明电路图识图
- 学习目标:从最简单的开始,学会看家庭、办公室的照明电路。
- 重点:了解开关、灯具、插座的连接方式,特别是两地控一灯等常见电路。
-
工厂常用电气设备控制电路图识图
- 学习目标:这是本书的核心,也是电工工作的重点。
- 重点:
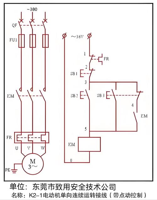
- 三相异步电动机基本控制电路:
- 点动控制电路
- 启动、自锁、停止电路
- 正反转互锁控制电路
- 星-三角(Y-Δ)降压启动电路
- 顺序控制电路
- 识图方法:学会“先主后辅、先上后下、先左后右”的看图顺序,分析主电路(给电机供电的强电部分)和控制电路(用按钮、继电器等控制的弱电部分)。
- 三相异步电动机基本控制电路:
第三阶段:进阶与综合应用
-
常用机床电气控制电路图识图
- 学习目标:学习分析复杂的、多功能的设备电路。
- 重点:以车床、铣床、磨床等典型机床为例,学习如何分解复杂的电路,理解其工作流程和联锁保护逻辑。
-
PLC(可编程逻辑控制器)控制电路图识图

- 学习目标:了解现代工业自动化控制的基础。
- 重点:学习PLC的基本构成、I/O接线图、以及简单的梯形图,理解PLC是如何替代传统继电器电路的。
-
建筑电气工程图识图
- 学习目标:学会看懂建筑内的配电系统图、平面图。
- 重点:了解从总配电箱到各楼层、各房间的供电线路走向、敷设方式、以及插座、照明、空调等回路的分配。
如何获取《电工识图自学通》PDF资源
由于版权原因,我无法直接提供PDF文件下载,但您可以通过以下几种合法且可靠的途径来获取:
-
正规购买(推荐)
- 电商平台:在淘宝、京东、当当网等平台搜索“电工识图自学通”,可以找到由出版社(如人民邮电出版社、化学工业出版社等)出版的正版纸质书或电子书。
- 优点完整、排版清晰、无错别字、质量有保障,是对作者和出版社的尊重。
-
图书馆借阅
- 途径:您可以查询当地的公共图书馆或职业技术学校图书馆。
- 优点:完全免费,是学习的绝佳途径。
-
在线文档分享平台(谨慎使用)
- 平台:如百度文库、豆丁网、道客巴巴等。
- 搜索方法:直接搜索书名“电工识图自学通”。
- 注意事项:
- 版权问题:这些平台上的资源大多是用户上传,可能存在版权问题。
- 质量参差不齐:文件可能不完整、排版错乱、有大量水印,影响阅读体验。
- 付费/下载券:很多优质资源需要付费或消耗下载券才能查看和下载。
-
利用搜索引擎
- 搜索技巧:使用更精确的关键词,
"电工识图自学通" filetype:pdf"电工识图自学通" inurl:pdf
- 注意事项:搜索结果可能同样指向非官方渠道,需自行甄别文件的完整性和安全性。
- 搜索技巧:使用更精确的关键词,
自学建议与技巧
- 理论与实践结合:识图是“看”出来的,更是“练”出来的,找到一些废旧的控制板、接触器、继电器,对照图纸实际接一接,印象会深刻百倍。
- 勤动手画图:看完一个电路,自己拿张纸,把符号和连线画一遍,画图的过程能强迫你思考每一个元器件的作用和电流的走向。
- 准备一个“符号本”:把遇到的每一个不认识的符号都记录下来,并附上说明,这是你未来宝贵的工具书。
- 从简单到复杂:不要一开始就挑战复杂的机床图,从最简单的电机启停电路开始,彻底搞懂,再逐步增加难度。
- 多看多想:遇到不懂的地方,多问“为什么”,为什么这里要用一个互锁触点?为什么热继电器的常闭触点要放在控制回路里?
希望这份详细的指南能帮助您顺利开启电工识图的自学之旅!祝您学习愉快!
版权声明:除非特别标注,否则均为本站原创文章,转载时请以链接形式注明文章出处。